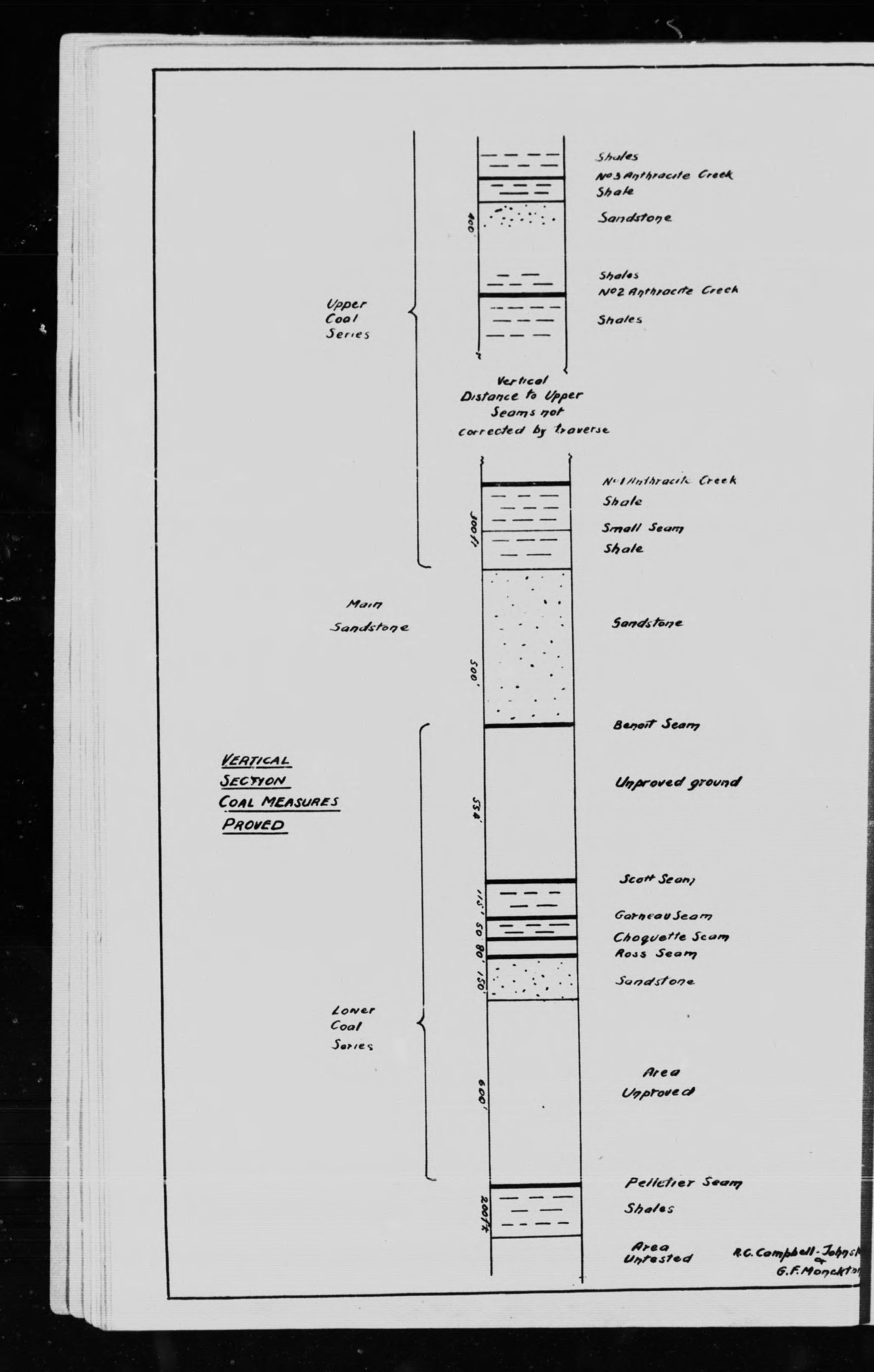
The British Columbia Skeena Coal Company, Limited.
This digital collection contains images of historical texts. Alternative text is not available for these images.
There was an error retrieving this image.
For help and additional download options, please see our documentation
Help
[Québec? : publisher not identified, 1911?]; 55 images, 50 with full-text search
Document Record
- Title
-
British Columbia Skeena Coal Company.
The British Columbia Skeena Coal Company, Limited. - Published
- [Québec? : publisher not identified, 1911?]
- Identifier
-
oocihm.71726
71726 - Subject
-
British Columbia Skeena Coal Company.
Coal -- British Columbia.
Charbon -- Colombie-Britannique. - Document source
- Electronic reproduction.
- Notes
-
Half title.
26 pages, [14] pages of plates : illustrations, maps (1 folded) ; 27 cm. - Collection
-
Monographs
- Language
- English
- Persistent URL
- https://n2t.net/ark:/69429/m0r20rr1tr48