The strength of Canadian Douglas fir, red pine, white pine and spruce /
This digital collection contains images of historical texts. Alternative text is not available for these images.
There was an error retrieving this image.
For help and additional download options, please see our documentation
Help
[S.l. : publisher not identified, 18--?]; 118 images, 116 with full-text search
Document Record
- Creator
-
Bovey, Henry T. (Henry Taylor), 1852-1912., author
Canadian Society of Civil Engineers. - Title
- The strength of Canadian Douglas fir, red pine, white pine and spruce
- Published
- [S.l. : publisher not identified, 18--?]
- Identifier
-
oocihm.55825
55825 - Subject
-
Strength of materials.
Wood -- Testing.
Bois -- Essais.
Résistance des matériaux. - Document source
- Electronic reproduction.
- Notes
-
At head of title: Advance proof -(subject to revision). This proof ... Canadian Society of Civil Engineers ... transactions ...
Caption title.
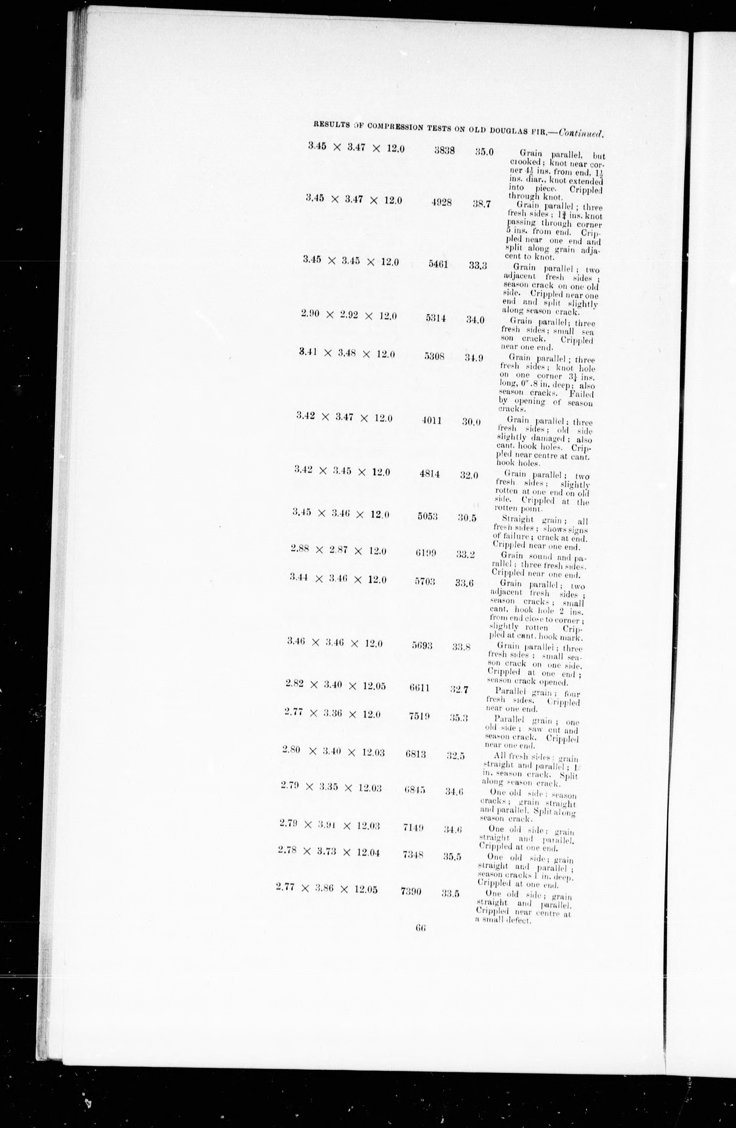
Tables.
110 pages : illustrations ; 35 cm. - Collection
-
Monographs
- Language
- English
- Persistent URL
- https://n2t.net/ark:/69429/m0mg7fq9v621